Seite 1 von 1
Schaltplan brauche Hilfe
Verfasst: Sa 17. Sep 2022, 21:06
von TeufelMaus
Hallo und guten Tag,
ich bin auf der Suche nach einem Schaltplan für einen Ligier Ambra es ist Diesel
Da der Vorgänger alle Kabel abgezogen hat und zum Teil auch durchgeschnitten hat da ich das Fahrzeug wieder zum Einsatz bringen möchte benötige ich nämlich diesen Schaltplan dass ich weiß welche Kabel wohin kommen und wo ich sie anschließen muss an welches Relais und so weiter
Dankeschön
Re: Schaltplan brauche Hilfe
Verfasst: Sa 17. Sep 2022, 21:26
von Metaphysik
Klick mich und
mich auch und vergiß
mich nicht.
Re: Schaltplan brauche Hilfe
Verfasst: So 18. Sep 2022, 06:30
von TeufelMaus

und was soll mir das jetzt sagen wo ist der Schaltplan oder wie funktioniert das
Re: Schaltplan brauche Hilfe
Verfasst: So 18. Sep 2022, 08:27
von guidolenz123
TeufelMaus hat geschrieben: ↑So 18. Sep 2022, 06:30

und was soll mir das jetzt sagen wo ist der Schaltplan oder wie funktioniert das
Suchen und Scrollen kann Erkenntnis bringen...
Erster link führt zu PDF WHB.
Dort ins Kapitel 4 scrollen und du findest dort alle Stromlaufpläne und Schaltpläne...
In den weiteren links ist es ähnlich...
Re: Schaltplan brauche Hilfe
Verfasst: So 18. Sep 2022, 18:47
von TeufelMaus

Dankeschön
Hilfe bei kabelverlegung ligier ambra
Verfasst: Di 20. Sep 2022, 18:38
von TeufelMaus
Hallo ihr lieben bin auf der Suche nach etwas Hilfe habe hier so ein Kabel gehört da der Vorgänger alles abgezogen hat und abgezwickt
Jetzt habe ich die Frage wo kommt das orangene Kabel hin dann gibt es ein weißes grünes und so weiter auf welches muss man die Kabel denn stecken kann mir da jemand helfen würde mich sehr freuen vielleicht hat jemand einen Schaltplan der farbig ist oder irgendwelche Bilder wo ich sehen kann wo welcher Stecker mit welchen Kabel verbunden wird
Hilfe bei ligier ambra lichtmaschine wechseln
Verfasst: Di 20. Sep 2022, 18:40
von TeufelMaus
Hallo ihr lieben alle hier
Und zwar habe ich folgendes Problem ich muss die lichtmaschine tauschen da die Kabel komplett abgerissen sind wie bekomme ich die lichtmaschine runter mit welchem Werkzeug oder kann man das auch ohne Werkzeug machen würde mich sehr gerne freuen um einfach paar Informationen oder Bilder
Re: Schaltplan brauche Hilfe
Verfasst: Di 20. Sep 2022, 19:31
von Fichte
Also, Du machst es uns mit Deinen (teils unscharfen und verzerrten) Lichtbildern nicht einfach und da die Verkabelung im Laufe der Jahre sich farblich auch gewandelt hat, kommt es zum Teil auch auf die Kabelquerschnitte an.
Für Dich maßgeblich dürfte dieses Handbuch sein:
https://up.picr.de/34011690ic.pdf
Hieraus wird die Farblegende ersichtlich:

- FF723AE7-36E2-4762-B228-3E3AA8A7991D.png (516.48 KiB) 4393 mal betrachtet
Dein Motor ist der FOCS 502, die maßgebliche Verkabelung wie folgt:

- 14F129FC-E003-4E26-BF55-4197CB938D59.png (279.48 KiB) 4393 mal betrachtet
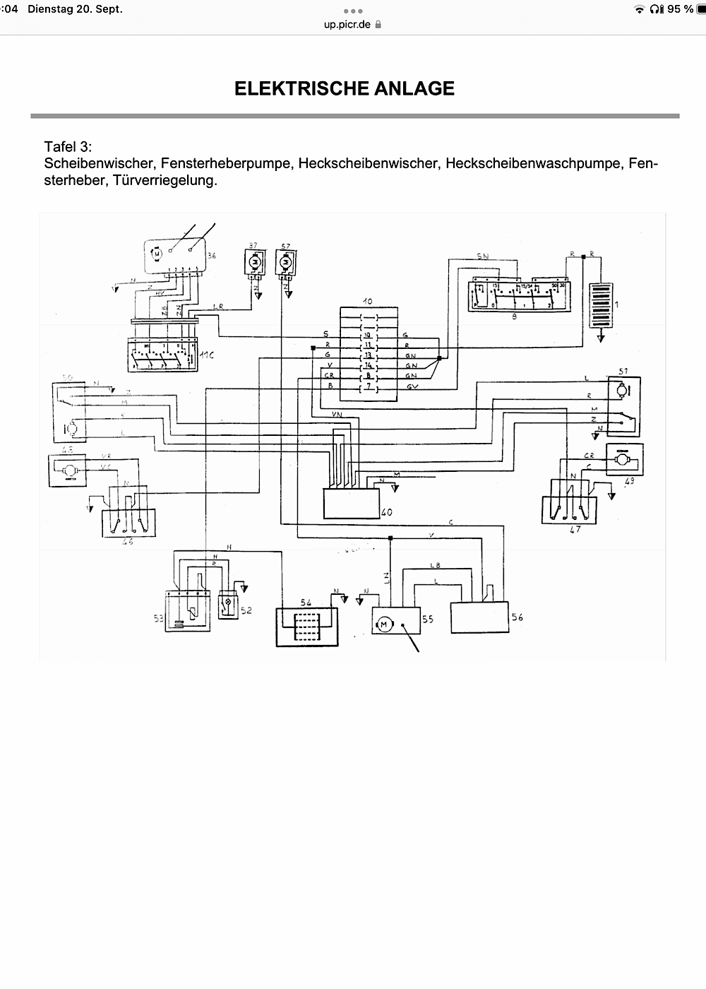
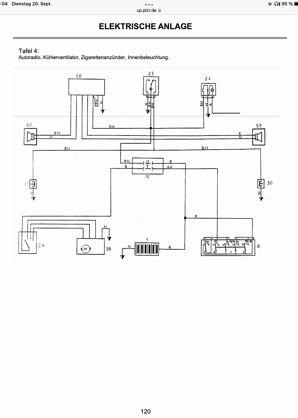
Die übrigen und elektrischen Anlagen:

- 6015BC0B-17D5-42AA-A625-3BBCA534E1FE.png (252.88 KiB) 4393 mal betrachtet

- D4485CD7-FA6B-4B12-8B75-E762426A826C.png (192.92 KiB) 4393 mal betrachtet
Allgemein zu Querschnitt und Farbbelegung von Kabeln in KFZ:
viewtopic.php?f=11&t=9464
Nicht zu vergessen, die Klemmenbezeichnung bei etwaigen Relais usw.:
viewtopic.php?f=11&t=10021
Ferner hast Du keine externe Lichtmaschine, zumindest habe ich dieselbe nicht entdeckt.
Damit kommt nur die Statoranlage (interne Lichtmaschine) in Betracht, informativ hier:
viewtopic.php?f=11&t=9428
Einen bebilderten Weg zu dieser Ankerplatte/Statoranlage/interne Lichtmaschine habe ich direkt nicht in meinem Repertoire, der Weg führt aber über die motorseitigen Variomatik, welche vorab vollständig demontiert (nebst dargestelltem Spezialwerkzeug/Nachbau) werden muss:
Lesenswert und wichtig für Dich hierzu:
viewtopic.php?f=14&t=9413
Dort sind alle wesentlichen Arbeitsschritte (einschließlich der eingearbeiteten Links) benannt und relevant.
Zudem muss das Schwungrad wie im Handbuch dargestellt demontiert werden:

- 03B23A4A-0007-4672-912F-C02458A9A074.jpeg (150.99 KiB) 4393 mal betrachtet
Als „Spezialwerkzeug“ muß das Schwungrad blockiert werden:

- BBD17B32-17DD-427A-892B-D21D2D21A449.jpeg (71.46 KiB) 4393 mal betrachtet
Und wenn Du das alles gelesen und verstanden hast, dann schreibe ich „Reschpeckt“….
Re: Schaltplan brauche Hilfe
Verfasst: Di 20. Sep 2022, 19:41
von TeufelMaus
Re: Schaltplan brauche Hilfe
Verfasst: Di 20. Sep 2022, 19:43
von Fichte
Nachtrag:
Die Elektrik der Lichter:

- AEEB7EC2-C173-41C7-B5FC-CA7FB3AD63B4.png (178.5 KiB) 4388 mal betrachtet
Re: Schaltplan brauche Hilfe
Verfasst: Di 20. Sep 2022, 19:47
von rolf.g3
Was Du brauchst ist ein Abzieher, den hab ich irgentwo im Schuppen.
Damit läßt sich die Vario vom Wellenstumpf abziehen.
Dann das Schwungrad abmontieren
Dann den Stator ausbauen
... aber das hab ich Dir doch schon gesagt
gr
Re: Schaltplan brauche Hilfe
Verfasst: Di 20. Sep 2022, 19:56
von Fichte
Jap, „Motorvario-Abzieher a la Rolf der Dritte in seiner Generation“, nicht zu vergessen:
viewtopic.php?f=14&t=9398
Ist aber im obig genannten Interview bereits verlinkt…
